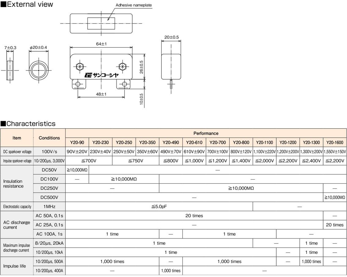
GDT

Y20 Series

Conforming standards
RoHS compliant
Features
Best suited for lightning surge countermeasures for railway signal and other large capacity lines

작성자 정보

  • 최고관리자 작성
  • 작성일

컨텐츠 정보

본문

e6e48496c287017e667edd8928ff45a6_1755053364_4896.jpg
 

관련자료

산코샤코리아
  • 회사명 : 주식회사 산코샤코리아
  • 대표 : 임종화
  • 사업자등록번호 : 113-86-69503
  • 전화 : 02-6124-3777
  • 팩스 : 02-6124-3779

  • 주소 : 서울시 구로구 경인로 53길 90 STX-W타워 1609호
  • 이메일 : info@sankosha.kr

Copyright © (주)산코샤코리아. All rights reserved.